网站首页
协会简介
协会领导
机构设置
协会章程
管理制度
服务项目
联系我们
行业动态
新利客服
新利官网地址
新利Lucky
党建动态
新利官网入口
政策法规
新利官网app
新利官网地址
政策解读
会员专区
新利官网app
服务细则
加入协会
会员风采
绿色发展
行业碳说
循环经济
动态专报
绿色发展报告
动态专报(2024)
动态专报(2025)
您当前所在位置:
主页
>
政策法规
>
新利官网app
新利官网app
新利官网地址
政策解读
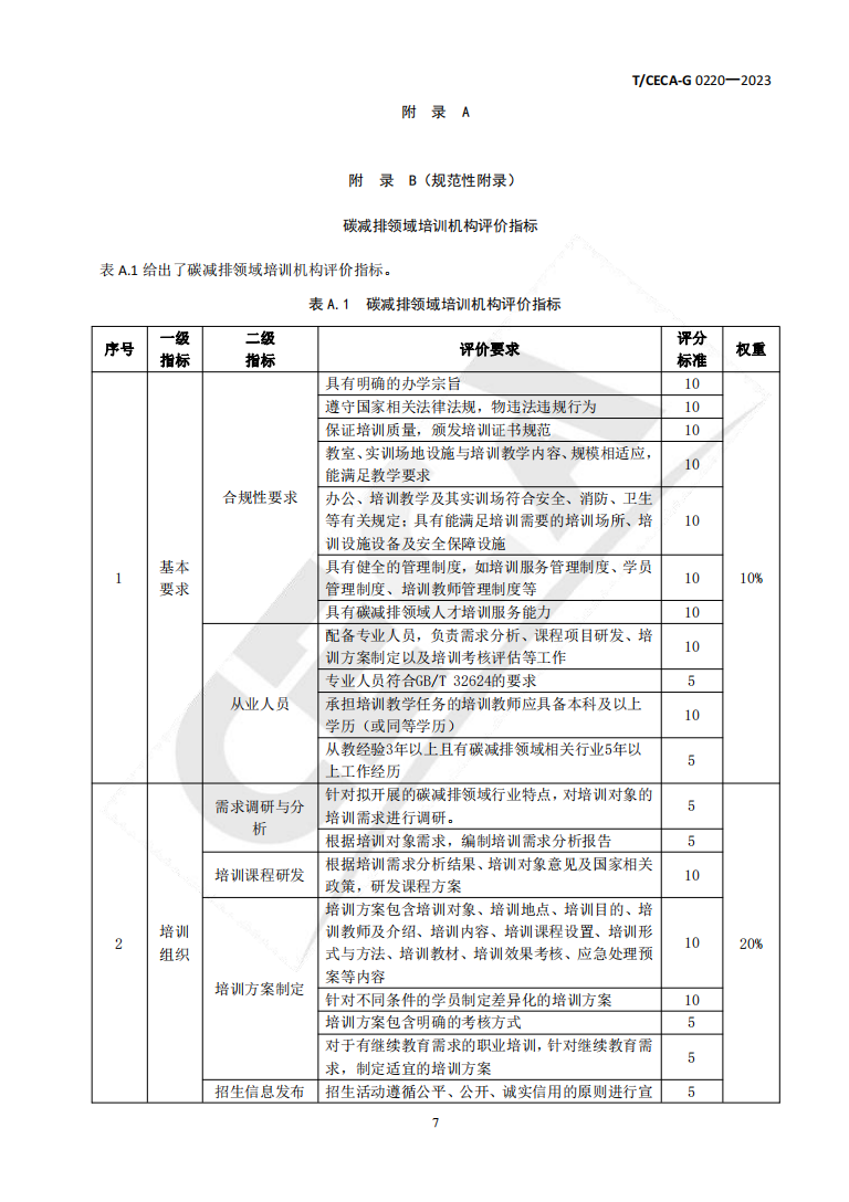
《碳减排领域人才培训管理与评价规范》团体标准
发布时间:2023-02-15 10:46
|
栏目:
新利官网app
|
浏览次数:
《碳减排领域人才培训管理与评价规范》团体标准
上一篇:全国性团体标准《企业碳达峰行动方案编制指南》
下一篇:水利部等部门印发《关于加快推进生态清洁小流域建设的指导意见》
Copyright © 2020-2022 版权所有
电话:15031178853 地址:河北省石家庄市桥西区友谊南大街 备案号:
冀ICP备2022013871号
扫一扫
关注于我们
map