您当前所在位置: 主页 > 政策法规 > 新利官网app

工信部印发钢铁行业智能制造标准体系建设指南(2023版)

发布时间:2023-10-21 14:38|栏目: 新利官网app |浏览次数:

工业和信息化部办公厅关于印发钢铁行业智能制造标准体系建设指南(2023版)的
通知

工信厅科〔2023〕55号


各省、自治区、直辖市工业和信息化主管部门,有关行业协会、标准化技术组织和专业机构:      


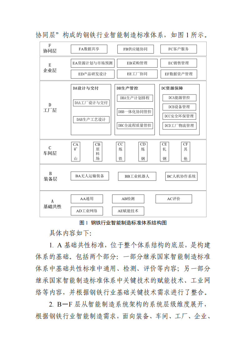
为切实发挥标准对推动钢铁行业智能制造发展的支撑和引领作用,工业和信息化部依据《国家智能制造标准体系建设指南(2021版)》《“十四五”智能制造发展规划》《“十四五”原材料工业发展规划》等,组织编制了《钢铁行业智能制造标准体系建设指南(2023版)》。现印发给你们,请结合本地区、本行业、本领域实际,在标准化工作中贯彻执行。


工业和信息化部办公厅

2023年9月27日

image.png

image.png

image.png

image.png

image.png

image.png

image.png

image.png

image.png

image.png

image.png

image.png

image.png

image.png

image.png

image.png

image.png

image.png

image.png

image.png

image.png

image.png

image.png

image.png

image.png

image.png

image.png

Copyright © 2020-2022 版权所有
电话:15031178853 地址:河北省石家庄市桥西区友谊南大街 备案号:冀ICP备2022013871号
 
Baidu
map